产品系列
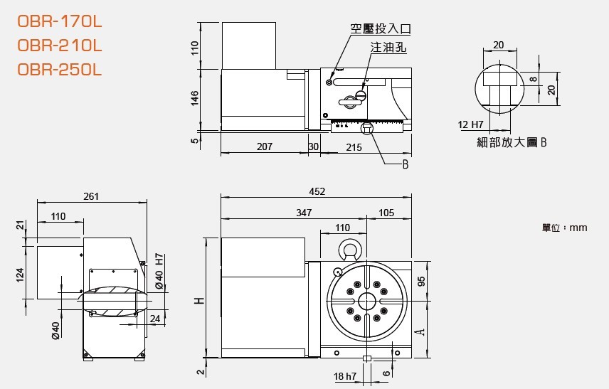
OBR-170L/210L/250L(左手型)

歐伯朗分度盤(左手型氣刹)之特點:
◆ 歐伯朗 0.001゜數控精密分度盤
◆ 具有超高精度、高效率、重荷載、長耐用性等特點
◆ 分度盤採用大孔通徑、交叉滾子軸承,串動量小;
◆ 分度盤採用徑軸向軸承、增加徑向與軸向受力;
◆ 高齒深蝸輪與蝸杆,耐用,精度可調整;
◆ 本體採用防水、防銑銷設計,讓加工更順利;
◆ 獨立鈑金,防止切削液進入內部;
◆ 每一台都嚴格檢驗出廠,使用放心;




KOBR五軸摇摆头
DDR直驅系列OBR系列 (蝸輪蝸杆定位)IBR系列(離合齒定位)TOBRE系列(五軸蝸與輪蝸杆定位)TOBRS系列(4軸半蝸與輪蝸杆定位)MIBR-xxxV/xD系列(立式 帶離合齒定位之油壓等分)MIBR-xxxH/xD系列(臥式 帶離合齒定位之油壓等分)HOBR系列 (純臥式 油壓刹車 蝸輪與蝸杆定位)HIBR系列 (純臥式 油壓刹車 齒式分割定位)POBR系列PIBR系列OBR-xxx-2/3W系列
BS/BBS系列 (頂針尾座)PBBS/HBBS氣/油壓式頂針尾座RBS系列 ( 圓盤刹車尾座)
系统三爪夹头、法兰盘圆盘式L块单轴控制器液压站桥板组、压板 



